Produkte
Zuhause Produkte

Warum bevorzugen Ingenieure die JST BVR-Serie für Kugelventilsitze?

Warum bevorzugen Ingenieure die JST BVR-Serie für Kugelventilsitze?

  • December 30. 2025

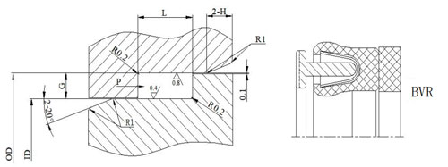
Wenn es um unidirektionale Radialdichtungen für Kugelventilsitze geht, bevorzugen unsere Kunden stets die JST-Bauart „BVR“. Aber warum ist das so?

Die Lösung liegt in der optimierten Dichtungsgeometrie und der druckaktivierten Konstruktion. Die BVR-Serie besteht aus einer schräg gestellten Niveaufeder und einem Polymermantel, der hauptsächlich als … dient. Spindelabdichtung . Unter Druck wird die Dichtlippe aktiviert und fest gegen den Ventilsitz gepresst, wodurch auch bei hohen Druckverhältnissen eine ausgezeichnete Dichtheit gewährleistet wird

Bei geeigneter Materialauswahl – wie beispielsweise PTFE-Verbindungen oder gefüllten Polymeren – arbeitet die Dichtung zuverlässig unter hohem Druck, Temperaturschwankungen und aggressiven Medien, wie sie häufig vorkommen. Öl & Gas , chemische und industrielle Anwendungen.

Schließlich schätzen Kunden die einfache Installation und die gleichbleibende Leistung. Der JST-Typ „BVR“ ist für eine präzise Passform ausgelegt, minimiert Installationsfehler und gewährleistet wiederholbare Dichtungsergebnisse bei verschiedenen Ventilgrößen und Betriebsbedingungen

Nachfolgend finden Sie technische Empfehlungen für die Nutabmessungen.

Betriebsbedingungen

Innendurchmesser (mm)

Durchmesser (mm)

Außendurchmesser (mm)

L + 0,2 / (mm)

Mindestgröße H (mm)

10000 psi

-60~180℃

7~15

2,4

9,5

9,5

3,4

15–30

3,1

10

10

5,0

30–90

4,7

12,5

12,5

6

90–600

6,1

16

16

7

600–1200

9,5

28

28

9,5

© Urheberrechte ©: 2026 Guangzhou JST Seals Technology Co., Ltd. Alle Rechte vorbehalten.

粤ICP备12032262号 IPv6-Netzwerk unterstützt

IPv6-Netzwerk unterstützt

oben

eine Nachricht hinterlassen

eine Nachricht hinterlassen

    WENN Sie sind an unseren Produkten interessiert und möchten mehr Details erfahren, bitte hinterlassen Sie hier eine Nachricht, wir antworten Ihnen so schnell wie wir.

  • #
  • #
  • #